Steel Channel
Type: MC Channels, C Channels
Dimension: 3/4”-15”
Thickness: 3.175-18.18mm
Finishing: Hot Rolled/Cold Rolled
Standard: ASTM A6, A36, A276 etc.
Material Range:
Stainless Steel: 301, 304/304L/304H, 310S, 316/316L, 317L, 321/321H, 347/347H, 904L, 630, 631, 410, 420, 430, 201, 202, etc.
Duplex Steel: S31803, S32205, S31500, S32550, S31200, S31260, S32304, S32750, S32760, S32950, etc.
Carbon Steel: A36, etc.
Special Alloy Steel: Monel 400/K-500, Inconel 600/625/800, Incoloy 800H/800HT, Hastelloy B2/C22/C276, 254SMO, 253MA, etc.
Package: PP wrapped/ bundled/ wooden box
Pictures:
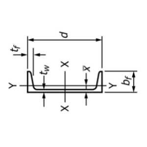
Dimensions as below:
Size inch xLB/FT | df/in | bf/in | tf/in | tw/in | tw/in |
C 15X50 | 15 | 3.716 | 0.65 | 0.716 | 18.2 |
X40 | 15 | 3.52 | 0.65 | 0.52 | 13.2 |
X33.9 | 15 | 3.4 | 0.65 | 0.4 | 10.2 |
C 12X30 | 12 | 3.17 | 0.501 | 0.51 | 13 |
X25 | 12 | 3.047 | 0.501 | 0.387 | 9.8 |
X20.7 | 12 | 2.942 | 0.501 | 0.282 | 7.2 |
C 10X30 | 10 | 3.033 | 0.436 | 0.673 | 17.1 |
X25 | 10 | 2.886 | 0.436 | 0.526 | 13.4 |
X20 | 10 | 2.739 | 0.436 | 0.379 | 9.6 |
X15.3 | 10 | 2.6 | 0.436 | 0.24 | 6.1 |
C 9X20 | 9 | 2.648 | 0.413 | 0.448 | 11.4 |
X15 | 9 | 2.485 | 0.413 | 0.285 | 7.2 |
X13.4 | 9 | 2.433 | 0.413 | 0.233 | 5.9 |
C 8X18.75 | 8 | 2.527 | 0.39 | 0.487 | 12.4 |
X13.75 | 8 | 2.434 | 0.39 | 0.303 | 7.7 |
X11.5 | 8 | 2.26 | 0.39 | 0.22 | 5.6 |
C 7X14.75 | 7 | 2.299 | 0.366 | 0.419 | 10.6 |
X12.25 | 7 | 2.194 | 0.366 | 0.314 | 8 |
X9.8 | 7 | 2.09 | 0.366 | 0.21 | 5.3 |
C 6X13 | 6 | 2.157 | 0.343 | 0.437 | 11.1 |
X10.5 | 6 | 2.034 | 0.343 | 0.314 | 8 |
X8.2 | 6 | 1.92 | 0.343 | 0.2 | 5.1 |
C 5X9 | 5 | 1.885 | 0.32 | 0.325 | 8.3 |
X6.7 | 5 | 1.75 | 0.32 | 0.19 | 4.8 |
C 4X7.25 | 4 | 1.721 | 0.296 | 0.321 | 8.2 |
X6.25 | 4 | 1.647 | 0.272 | 0.247 | 6.3 |
X5.4 | 4 | 1.584 | 0.296 | 0.184 | 4.7 |
X4.5 | 4 | 1.584 | 0.296 | 0.125 | 3.2 |
C 3X6 | 3 | 1.596 | 0.273 | 0.356 | 9 |
X5 | 3 | 1.498 | 0.273 | 0.258 | 6.6 |
X4.1 | 3 | 1.41 | 0.273 | 0.17 | 4.3 |
X3.5 | 3 | 1.372 | 0.273 | 0.132 | 3.4 |
MC 18X58 | 18 | 4.2 | 0.625 | 0.7 | 17.8 |
X51.9 | 18 | 4.1 | 0.625 | 0.6 | 15.2 |
X45.8 | 18 | 4 | 0.625 | 0.5 | 12.7 |
X42.7 | 18 | 3.95 | 0.625 | 0.45 | 11.4 |
MC 13X50 | 13 | 4.412 | 0.61 | 0.787 | 20 |
X40 | 13 | 4.185 | 0.61 | 0.56 | 14.2 |
X35 | 13 | 4.072 | 0.61 | 0.447 | 11.4 |
X31.8 | 13 | 4 | 0.61 | 0.375 | 9.5 |
MC 12X50 | 12 | 4.135 | 0.7 | 0.835 | 21.2 |
X45 | 12 | 4.01 | 0.7 | 0.71 | 18 |
X40 | 12 | 3.89 | 0.7 | 0.59 | 15 |
X35 | 12 | 3.765 | 0.7 | 0.465 | 11.8 |
X31 | 12 | 3.67 | 0.7 | 0.37 | 9.4 |
MC 12X14.3 | 12 | 2.125 | 0.313 | 0.25 | 6.4 |
X10.6 | 12 | 1.5 | 0.309 | 0.19 | 4.8 |
MC 10X41.1 | 10 | 4.321 | 0.575 | 0.796 | 20.2 |
X33.6 | 10 | 4.1 | 0.575 | 0.575 | 14.6 |
X28.5 | 10 | 3.95 | 0.575 | 0.425 | 10.8 |
MC 10X25 | 10 | 3.405 | 0.575 | 0.38 | 9.7 |
X22 | 10 | 3.315 | 0.575 | 0.29 | 7.4 |
MC 10X8.4 | 10 | 1.5 | 0.28 | 0.17 | 4.3 |
X6.5 | 10 | 1.17 | 0.202 | 0.152 | 3.9 |
MC 9X25.4 | 9 | 3.5 | 0.55 | 0.45 | 11.4 |
X23.9 | 9 | 3.45 | 0.55 | 0.4 | 10.2 |
MC 8X22.8 | 8 | 3.502 | 0.525 | 0.427 | 10.8 |
X21.4 | 8 | 3.45 | 0.525 | 0.375 | 9.5 |
MC 8X20 | 8 | 3.025 | 0.5 | 0.4 | 10.2 |
X18.7 | 8 | 2.978 | 0.5 | 0.353 | 9 |
MC 8X8.5 | 8 | 1.874 | 0.311 | 0.179 | 4.5 |
MC 7X22.7 | 7 | 3.603 | 0.5 | 0.503 | 12.8 |
X19.1 | 7 | 3.452 | 0.5 | 0.352 | 8.9 |
MC 6X18 | 6 | 3.504 | 0.475 | 0.379 | 9.6 |
X15.3 | 6 | 3.5 | 0.385 | 0.34 | 8.6 |
X16.3 | 6 | 3 | 0.475 | 0.375 | 9.5 |
X15.1 | 6 | 2.941 | 0.475 | 0.316 | 8 |
X12 | 6 | 2.497 | 0.375 | 0.31 | 7.9 |
X7 | 6 | 1.875 | 0.291 | 0.179 | 4.5 |
X6.5 | 6 | 1.85 | 0.291 | 0.155 | 3.9 |
MC 4X13.8 | 4 | 2.5 | 0.5 | 0.5 | 13 |
MC 3X7.1 | 3 | 1.938 | 0.351 | 0.312 | 7.9 |
Size inch xLB/FT | df/in | bf/in | tf/in | tw/in |
C 380X74 | 381 | 94 | 16.5 | 18.2 |
X60 | 381 | 89 | 16.5 | 13.2 |
X50.4 | 381 | 86 | 16.5 | 10.2 |
C 310X45 | 305 | 80 | 12.7 | 13 |
X37 | 305 | 77 | 12.7 | 9.8 |
X30.8 | 305 | 74 | 12.7 | 7.2 |
C 250X45 | 254 | 76 | 11.1 | 17.1 |
X37 | 254 | 73 | 11.1 | 13.4 |
X30 | 254 | 69 | 11.1 | 9.6 |
X22.8 | 254 | 65 | 11.1 | 6.1 |
C 230X30 | 229 | 67 | 10.5 | 11.4 |
X22.8 | 229 | 63 | 10.5 | 7.2 |
X19.9 | 229 | 61 | 10.5 | 5.9 |
C 200X27.9 | 203 | 64 | 9.9 | 12.4 |
X20.5 | 203 | 59 | 9.9 | 7.7 |
X17.1 | 203 | 57 | 9.9 | 5.6 |
C 180X22 | 178 | 58 | 9.3 | 10.6 |
X18.2 | 178 | 55 | 9.3 | 8 |
X14.6 | 178 | 53 | 9.3 | 5.3 |
C 150X19.3 | 152 | 54 | 8.7 | 11.1 |
X15.6 | 152 | 51 | 8.7 | 8 |
X12.2 | 152 | 48 | 8.7 | 5.1 |
C 130X13 | 127 | 47 | 8.1 | 8.3 |
X10.4 | 127 | 44 | 8.1 | 4.8 |
C 100X10.8 | 102 | 43 | 7.5 | 8.2 |
X9.3 | 102 | 42 | 6.9 | 6.3 |
X8 | 102 | 40 | 7.5 | 4.7 |
X6.7 | 102 | 40 | 7.5 | 3.2 |
C 75X8.9 | 76 | 40 | 6.9 | 9 |
X7.4 | 76 | 37 | 6.9 | 6.6 |
X6.1 | 76 | 35 | 6.9 | 4.3 |
X5.2 | 76 | 35 | 6.9 | 3.4 |
MC 460X86 | 457 | 107 | 15.9 | 17.8 |
X77.2 | 457 | 104 | 15.9 | 15.2 |
X68.2 | 457 | 102 | 15.9 | 12.7 |
X63.5 | 457 | 100 | 15.9 | 11.4 |
MC 330X74 | 330 | 112 | 15.5 | 20 |
X60 | 330 | 106 | 15.5 | 14.2 |
X52 | 330 | 103 | 15.5 | 11.4 |
X47.3 | 330 | 102 | 15.5 | 9.5 |
MC 310X74 | 305 | 105 | 17.8 | 21.2 |
X67 | 305 | 102 | 17.8 | 18 |
X60 | 305 | 98 | 17.8 | 15 |
X52 | 305 | 96 | 17.8 | 11.8 |
X46 | 305 | 93 | 17.8 | 9.4 |
MC 310X21.3 | 305 | 54 | 8 | 6.4 |
X15.8 | 305 | 38 | 7.8 | 4.8 |
MC 250X61.2 | 254 | 110 | 14.6 | 20.2 |
X50 | 254 | 104 | 14.6 | 14.6 |
X42.4 | 254 | 100 | 14.6 | 10.8 |
MC 250X37 | 254 | 86 | 14.6 | 9.7 |
X33 | 254 | 84 | 14.6 | 7.4 |
MC 250X12.5 | 254 | 38 | 7.1 | 4.3 |
X9.7 | 254 | 28 | 5.1 | 3.9 |
MC 230X37.8 | 229 | 88 | 14 | 11.4 |
X35.6 | 229 | 87 | 14 | 10.2 |
MC 200X33.9 | 203 | 88 | 13.3 | 10.8 |
X31.8 | 203 | 87 | 13.3 | 9.5 |
MC 200X29.8 | 203 | 76 | 12.7 | 10.2 |
X27.8 | 203 | 75 | 12.7 | 9 |
MC 200X12.6 | 203 | 47 | 7.9 | 4.5 |
MC 180X33.8 | 178 | 91 | 12.7 | 12.8 |
X28.4 | 178 | 87 | 12.7 | 8.9 |
MC 150X26.8 | 152 | 88 | 12.1 | 9.6 |
X22.8 | 152 | 88 | 9.8 | 8.6 |
X24.3 | 152 | 76 | 12.1 | 9.5 |
X22.5 | 152 | 74 | 12.1 | 8 |
X17.9 | 152 | 63 | 9.5 | 7.9 |
X10.4 | 152 | 48 | 7.4 | 4.5 |
X9.7 | 152 | 47 | 7.4 | 3.9 |
MC 100X20.5 | 102 | 64 | 13 | 13 |
MC 75X10.6 | 76 | 49 | 8.9 | 7.9 |
THE MEMBERS OF HYSS GROUP
1.Zhejiang Hyss Corp.
2.Zhejiang Hyss pipeline Industry Corp.
3.Hyss International Trading(Shanghai)Co,.Ltd.
4.Hyss International Limited.
5.Hyss International Logistics(Shanghai)Co.,Ltd.
6.Hebei Hyss Corp.
SALES CENTER OF HYSS GROUP
Add:Room 1507,No.1 Building,GuoSon Center,No.388
Zhongjiang Road,Shanghai,China
Postal Code:200062
Tel:0086(21)62671680 62671061
Fax:0086(21)62671932
The function is under construction, so stay tuned!
la fonction est en construction, alors restez branchés!
La función está en construcción, así que ¡mantente atento!
A função está EM construção, então fiquem ligados!
функция находится в стадии строительства, так что оставайтесь на связи!